Гидрошпонки ДЗ
Гидрошпонки серии Аквастоп ДЗ являются ключевым элементом для обеспечения герметичности швов и стыков при возведении подземных и гидротехнических сооружений, а также при проведении ремонтных работ для восстановления герметичности в уже существующих объектах аналогичного назначения. Их поставка осуществляется в бухтах длиной 20 и 30 метров.
История гидроизоляционных шпонок в России началась в 50-е годы прошлого века с использования металлических изделий, которые, несмотря на свои функции, обладали ограниченной адгезией к бетону и недостаточной деформационной способностью. В 60-е годы на смену металлу пришли резиновые шпонки, что значительно улучшило качество герметизации. Позже к ним добавились изделия из поливинилхлорида (ПВХ), которые показали себя эффективными в условиях, где другие материалы были неудовлетворительны.
Классификация Гидрошпонок Аквастоп
Гидрошпонки Аквастоп разделяются по типам установки и предназначения на:
- Опалубочные: Монтируются на внешнем контуре деформационного шва до начала бетонных работ, крепятся к опалубке.
- Внутренние: Интегрируются в структуру конструкции, крепясь к арматуре, образуя с деформационным швом единое целое.
- Защитные: Устанавливаются внутри деформационного шва перед заливкой бетона.
- Ремонтные: Применяются для реставрации герметичности существующих швов.
Специализированные шпонки предназначены для соединения новых и старых конструкций, обеспечивая их надежное сцепление и герметизацию.

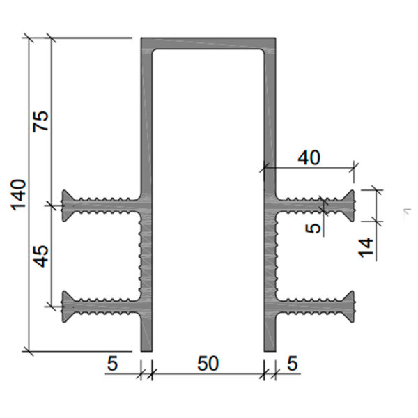
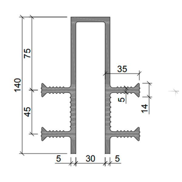
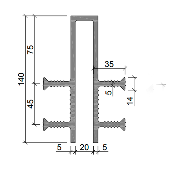
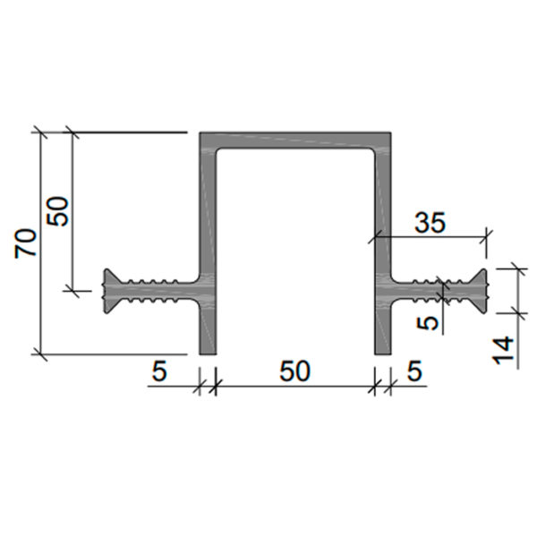
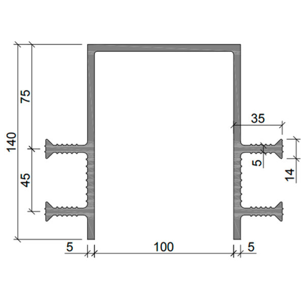
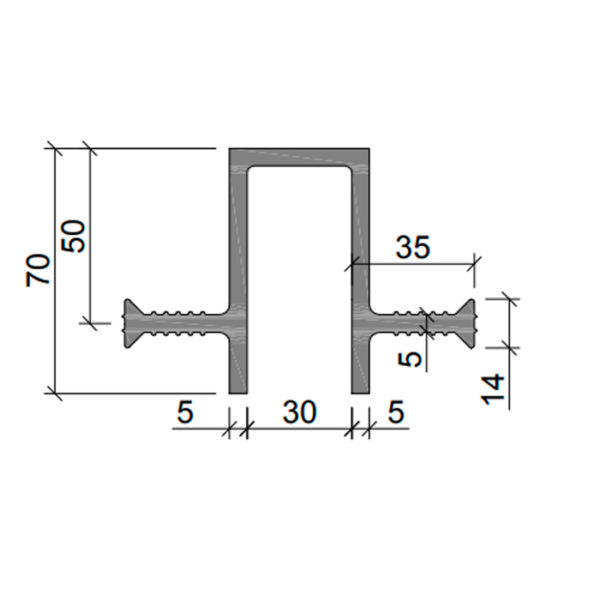
Варианты Гидрошпонок ДЗ от Аквастоп
- Стандартные гидрошпонки ДЗ: Изготавливаются из EPDM-резины, доступны в двух размерах.
- Гидрошпонки ДЗ из ПВХ-П: Предлагаются в широком ассортименте размеров.
- Гидрошпонки ДЗС: Специальные защитные шпонки с уникальной конфигурацией для особых условий применения.
Вся продукция сертифицирована и подходит для использования в системах с питьевой водой. Гарантия на хранение составляет 2 года, а на эксплуатацию — 5 лет при условии соблюдения монтажных рекомендаций.
Выбор подходящего типа гидрошпонки Аквастоп ДЗ должен основываться на условиях эксплуатации объекта, чтобы обеспечить максимальную эффективность и долговечность герметизации.

