Гидрошпонка Аквастоп ДЗ-140/20-4/35 из ПВХ
Описание
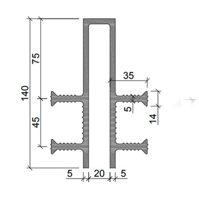
Гидрошпонка ДЗ-140/20-4/35 из ПВХ – это деформационная защитная гидрошпонка из ПВХ-П. Ширина – 140 мм при ширине деформационного узла 20 мм. Для монтажа нужны 4 анкера. Общая высота с учетом толщины шпонки – 35 мм. Это удлиненная модель гидроизоляционной шпонки.
ПВХ-П – это специальные пластифицированные композиции на основе поливинилхлорида. Материал используется для изготовления гидроизоляционных шпонок и профильных уплотнений СВГ.
Назначение и особенности:
Характеристики:
- Минимальная допустимая температура – -40 градусов;
- Общий показатель токсичности – менее 1%;
- Условная прочность при растяжении – от 11,7 МПа;
- Сопротивление разрыву – от 39,2 Н/мм;
- Относительное удлинение при разрыве – от 300%.
Допустимые смещения для гидрошпонки ДЗ-140/20-4/35:
- Сжатие – 10 мм;
- Растяжение – 82 мм;
- Поперечный сдвиг – 78 мм;
- Продольный сдвиг – 40 мм;
- Давление воды – 0,38 МПа.
Вся продукция Аквастоп сертифицирована и может использоваться в системах с питьевой водой.
Монтажная схема гидрошпонки Аквастоп ДЗ-140/20-4/35 из ПВХ:

Теххарактеристики
Артикул
ЦБ52522
Бренд
Аквабарьер
Ширина шва, мм
20
Тип
Восстановление герметичности деформационных швов
Материал
ПВХ
Отзывы
Отзывы о товаре Гидрошпонка Аквастоп ДЗ-140/20-4/35 из ПВХ:
20.05.2024 Леня
рекомендую!!!!!
Добавить отзыв
С этим товаром рекомендуем
от 708 руб./м2
по запросу
по запросу
по запросу
от 1 046 руб./м2
Новости
Все новости


