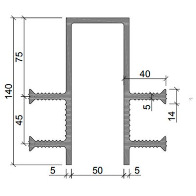
Гидрошпонка Аквастоп ДЗ-140/50-4/40 из ПВХ
Гидрошпонка ДЗ-140/50-4/40 из ПВХ – это деформационная защитная гидрошпонка из ПВХ-П. Ширина – 140 мм при ширине деформационного узла 50 мм. Для монтажа используются 4 анкера. Их общая высота с учетом тела шпонки – 35 мм. Это одна из самых крупных моделей в серии ДЗ.
Системы Аквастоп предназначены незаменимы при строительстве, во время ремонта и реконструкции домов и других зданий, независимо от их предназначения. Гидрошпонки используются в гражданском и коммерческом строительстве. Их основное предназначение – обустройство деформационных и рабочих швов во время бетонирования.
Назначение и особенности:
Перемещения – это допустимые смещения и колебания элементов конструкции, которые спрягаются. Для гидрошпонки ДЗ-140/50-4/40 из ПВХ они составляют:
- Сжатие – 40 мм;
- Растяжение – 112 мм;
- Поперечный сдвиг – 98 мм;
- Продольный сдвиг – 82 мм;
- Давление воды – 0,43 МПа.
Фирменные гидрошпонки ДЗ-140/50-4/40 из ПВХ можно использовать в системах с питьевой водой.
Монтажная схема гидрошпонки Аквастоп ДЗ-140/50-4/40 из ПВХ:

26.01.2023 Виталик
Незаменимая вещь в строительстве. Быстрая доставка, простота монтажа. Товар отличного качества


