Гидрошпонка Аквастоп ДЗ-130/25-6/25 из EPDM
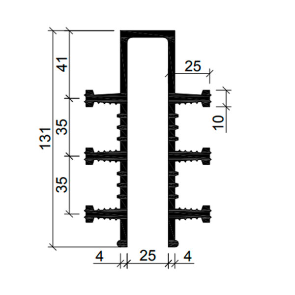
Гидрошпонка ДЗ-130/25-6/25 из EPDM – это деформационная защитная гидрошпонка из EPDM-резины. Ширина – 130 мм при ширине деформационного узла 25 мм. Для монтажа используются 6 анкеров. Их общая высота с учетом тела шпонки – 25 мм.
Деформационными называют температурные, осадочные, антисейсмические и другие швы. Они закладываются еще при проектировании для обеспечения безопасности строения от усадочных, сейсмических и механических процессов.
Назначение и особенности:
Гидрошпонка ДЗ-130/25-6/25 из EPDM – это универсальная гидроизоляционная лента Аквастоп. Для удобства транспортировки и хранения она продается бухтами по 30 м.
Ее перемещения:
- Сжатие – 15 мм;
- Растяжение – 52 мм;
- Поперечный сдвиг – 44 мм;
- Продольный сдвиг – 44 мм;
- Давление воды – 0,42 МПа.
Перемещения – это допустимые смещения и колебания элементов конструкции, которые спрягаются.
Монтажная схема гидрошпонки Аквастоп ДЗ-130/25-6/25 из EPDM:

10.01.2025 Анна, снабженец
Заказываем шпонки уже не первый год. Качество стабильно высокое, цена конкурентоспособная. Рекомендую


