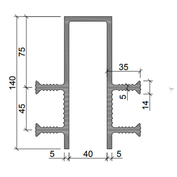
Гидрошпонка Аквастоп ДЗ-140/40-4/35 из ПВХ
Гидрошпонка ДЗ-140/40-4/35 из ПВХ — это деформационная защитная гидрошпонка из ПВХ-П. Ширина – 140 мм при ширине деформационного узла 40 мм. Для монтажа используются 4 анкера. Общая высота с учетом толщины шпонки – 35 мм. Вся серия ДЗ отличается нестандартными размерами.
Перемещения деформационного узла – это допустимые смещения и колебания элементов конструкции, которые спрягаются. К перемещениям относится поперечный или продольных сдвиг, сжатие и растяжение.
Назначение и особенности:
Для шпонки ДЗ-140/40-4/35 из ПВХ это:
- Сжатие – 30 мм;
- Растяжение – 102 мм;
- Поперечный сдвиг – 92 мм;
- Продольный сдвиг – 68 мм;
- Давление воды – 0,38 МПа.
Гидрошпонки Аквастоп используются в гражданском и коммерческом строительстве. Фирменные ДЗ-140/40-4/35 из ПВХ можно использовать в системах с питьевой водой. Гарантийный срок хранения – 2 года. Гарантийный срок эксплуатации – 5 лет при соблюдении технологии монтажа.
Монтажная схема гидрошпонки Аквастоп ДЗ-140/40-4/35 из ПВХ:



