Гидрошпонка ТАРАКАН
Гидрошпонки Аквастоп ТАРАКАН предназначены для надежной герметизации деформационных швов в условиях строительства таких объектов, как подземные и заглубленные сооружения, а также гидротехнические конструкции. Кроме того, они эффективны для ремонта и восстановления герметичности уже существующих швов.
Эти гидроизоляционные ленты оснащены ребрами для лучшего заполнения швов и могут быть установлены как снаружи, так и изнутри конструкции. Изготавливаются из различных материалов, включая резину и ПВХ, а также термопластичные полиолефины и термоэластопласты, что позволяет выбрать оптимальное решение для каждого конкретного случая.
Основные характеристики и преимущества
Гидрошпонки ТАРАКАН производятся из ПВХ-П, пластифицированной композиции на основе поливинилхлорида, что обеспечивает их высокую эффективность и долговечность:
- Надежное крепление: Отлично фиксируются в бетоне, обеспечивая прочную и долговечную герметизацию.
- Простота установки: Удобство монтажа и последующей эксплуатации делает их предпочтительным выбором для строительных работ.
- Экологическая безопасность: Нетоксичные материалы гарантируют безопасность для окружающей среды.
- Устойчивость к химикатам: Могут использоваться в агрессивных химических условиях благодаря своей химической стойкости.
- Широкий температурный диапазон: Эффективны в условиях от -40 до +60 градусов Цельсия.

Уникальные особенности
Гидрошпонки ТАРАКАН выделяются своей уникальной конструкцией, предлагая эффективное решение для критически важных швов. Поставляются в компактных бухтах длиной 10 метров, что упрощает процесс их установки.
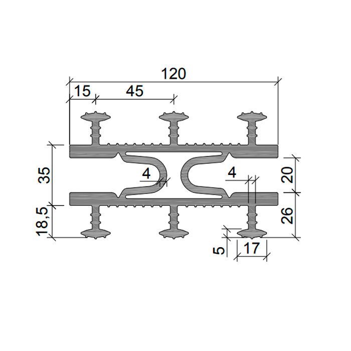
В ассортименте представлена модель ТАРАКАН-120, разработанная для выдерживания давления до 0,25 МПа, что подтверждает ее высокую надежность в условиях эксплуатации.
Гидрошпонки Аквастоп ТАРАКАН – это современное и эффективное решение для обеспечения герметичности деформационных швов, гарантирующее долговечность и безопасность строительных и ремонтных работ.

