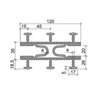
Гидрошпонка Аквастоп ТАРАКАН-120 ПВХ
Гидрошпонки Аквастоп ТАРАКАН-120 используются для герметизации деформационных швов при строительстве подземных, заглубленных и гидротехнических сооружений. Их второе предназначение – восстановление герметичности уже существующих швов.
Ширина шпонки – 120 мм. Материал – ПВХ-П, композиция на основе поливинилхлорида.
Назначение и особенности:
Перемещения – это допустимые смещения и колебания элементов конструкции, которые спрягаются. К перемещениям относится поперечный или продольных сдвиг, сжатие и растяжение. Для гидрошпонок ТАРАКАН-120 это:
- Сжатие – 15 мм;
- Растяжение – 40 мм;
- Поперечный сдвиг – 25 мм;
- Продольный сдвиг – 20 мм;
- Давление воды – 0,25 МПа.
От обычных гидроизоляционных шпонок ТАРАКАН отличается характерной конфигурацией. Продается серия 10-метровыми бухтами для удобства монтажа.
Гидрошпонки можно транспортировать и хранить. Но для этого нужно исключить вероятность их загрязнения и механических повреждений. Поэтому изделия хранятся только в заводской упаковке.
Монтажная схема — гидрошпонка Таракан 120:


