Гидрошпонка Аквастоп ДЗ-140/100-4/50 (35) из ПВХ
Описание
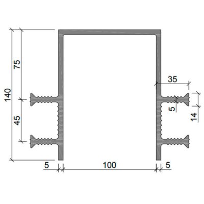
Гидрошпонка ДЗ-140/100-4/50 из ПВХ – это деформационная защитная гидрошпонка из ПВХ-П. Ширина – 140 мм при ширине деформационного узла 100 мм. Для монтажа нужны 4 крепежных анкера. Общая высота с учетом толщины шпонки – 50 мм. Это нетипичная модель для широких нестандартных швов.
ПВХ-П – это специальные пластифицированные композиции на основе поливинилхлорида. Материал используется для изготовления гидроизоляционных шпонок и профильных уплотнений СВГ.
Назначение и особенности:
Основные преимущества:
- Надежное крепление в бетоне;
- Простота монтажа и эксплуатации;
- Нетоксичность и экологическая безопасность;
- Долговечность;
- Устойчивость к химическим воздействиям;
- Температурный диапазон – от -40 до +60 градусов.
Возможные смещения деформационных швов для гидрошпонки ДЗ-140/100-4/50 из ПВХ:
- Сжатие – 90 мм;
- Растяжение – 162 мм;
- Поперечный сдвиг – 124 мм;
- Продольный сдвиг – 153 мм;
- Давление воды – 0,38 МПа.
Вся продукция Аквастоп сертифицирована и подходит для систем питьевого водоснабжения.
Монтажная схема гидрошпонки Аквастоп ДЗ-140/100-4/50 (35) из ПВХ:

Теххарактеристики
Артикул
ЦБ19301
Бренд
Аквабарьер
Ширина шва, мм
100
Тип
Восстановление герметичности деформационных швов
Материал
ПВХ
Отзывы
Отзывы о товаре Гидрошпонка Аквастоп ДЗ-140/100-4/50 (35) из ПВХ:
Добавить отзыв
С этим товаром рекомендуем
от 708 руб./м2
по запросу
по запросу
по запросу
от 1 046 руб./м2
Новости
Все новости


