Гидрошпонка Аквастоп ДЗ-70/50-2/35 из ПВХ
Описание
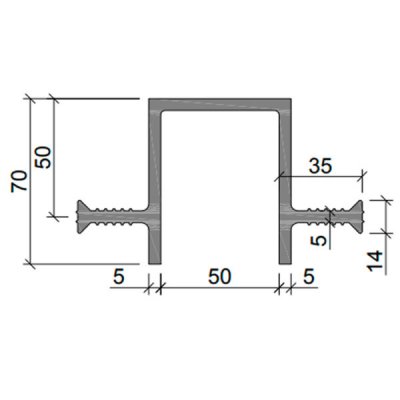
Гидрошпонка ДЗ-70/50-2/35 из ПВХ – это деформационная защитная гидрошпонка из ПВХ-П. Ширина – 70 мм при ширине деформационного узла 50 мм. Для монтажа достаточно 2 анкеров. Их общая высота с учетом тела шпонки – 35 мм. Это нетипичные размеры гидроизоляционной шпонки для строительных и инженерных работ.
Допустимые смещения:
- Сжатие – 40 мм;
- Растяжение – 88 мм;
- Поперечный сдвиг – 68 мм;
- Продольный сдвиг – 82 мм;
- Давление воды – 0,15 МПа.
Назначение и особенности:
ПВХ-П – это специальные пластифицированные композиции на основе поливинилхлорида. Материал используется для изготовления гидроизоляционных шпонок и профильных уплотнений СВГ.
Основные преимущества:
- Надежное крепление в бетоне;
- Простота монтажа и эксплуатации;
- Нетоксичность и экологическая безопасность;
- Долговечность;
- Устойчивость к химическим воздействиям;
- Температурный диапазон – от -40 до +60 градусов.
Все это характерно и для гидрошпонок ДЗ-70/50-2/35 из ПВХ.
Монтажная схема гидрошпонки Аквастоп ДЗ-70/50-2/35 из ПВХ:

Теххарактеристики
Артикул
ЦВ000207403
Бренд
Аквабарьер
Ширина шва, мм
50
Тип
Восстановление герметичности деформационных швов
Материал
ПВХ
Отзывы
Отзывы о товаре Гидрошпонка Аквастоп ДЗ-70/50-2/35 из ПВХ:
17.06.2025 Петя
Профессиональный подход. Отличный товар, всё соответствует заявленным характеристикам. Рекомендую!
Добавить отзыв
С этим товаром рекомендуем
от 708 руб./м2
по запросу
по запросу
по запросу
от 1 046 руб./м2
Новости
Все новости


