Гидрошпонка Аквастоп ДЗ-100/25-4/25 из EPDM
Описание
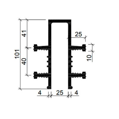
Гидрошпонка ДЗ-100/25-4/25 из EPDM – это деформационная защитная гидрошпонка из EPDM-резины. Ширина – 100 мм при ширине деформационного узла 25 мм. Для монтажа используется 4 анкера. Их общая высота с учетом тела шпонки – 25 мм.
EPDM резина – это резина на основе этиленпропиленового каучука. Характеристики:
- Условная прочность при растяжении – от 7,5 МПа;
- Относительное удлинение при разрыве – от 200%;
- Коэффициент морозостойкости – 0,2;
- Устойчивость к разрывам – от 20 кг/см.
Назначение и особенности:
Гидрошпонка ДЗ-100/25-4/25 из EPDM — это одна из самых компактных гидроизоляционных шпонок. Допустимые смещения:
- Сжатие – 15 мм;
- Растяжение – 52 мм;
- Поперечный сдвиг – 44 мм;
- Продольный сдвиг – 44 мм;
- Давление воды – 0,26 МПа.
Такие резиновые ленты от Аквастоп можно использовать в системах питьевого водоснабжения. Вся продукция сертифицирована. Гарантия – 5 лет при правильном монтаже.
Монтажная схема гидрошпонки Аквастоп ДЗ-100/25-4/25 из EPDM:

Теххарактеристики
Артикул
ЦВ000208546
Бренд
Аквабарьер
Ширина шва, мм
25
Тип
Восстановление герметичности деформационных швов
Материал
EPDM
Отзывы
Отзывы о товаре Гидрошпонка Аквастоп ДЗ-100/25-4/25 из EPDM:
15.01.2025 Сергей, частный застройщик
Шпонки – незаменимая вещь при строительстве. Легко устанавливаются, герметичность отличная, и стоят недорого
Добавить отзыв
С этим товаром рекомендуем
от 20 руб./м2
от 56 руб./м2
от 24 руб./м2
от 74 руб./м2
от 30 руб./м2
от 43 руб./м2
Новости
Все новости


