Гидрошпонка Аквастоп ДЗ-70/40-2/35 из ПВХ
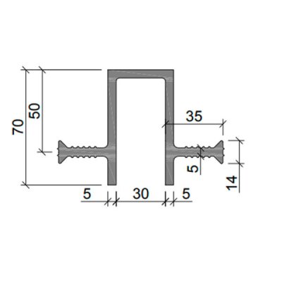
Гидрошпонка ДЗ-70/40-2/35 из ПВХ – это деформационная защитная гидрошпонка из ПВХ-П. Ширина – 70 мм при ширине деформационного узла 40 мм. Для монтажа достаточно 2 анкеров. Общая высота с учетом толщины шпонки – 35 мм. Это нестандартный формат, у которого практически нет аналогов.
В России первые гидроизоляционные шпонки появились в 50-х годах 20 столетия. Тогда их делали из металла, поэтому они не давали такой качественной герметизации. Адгезия металла с бетоном ниже, а количество циклов смещения деформационного шва – очень ограничено.
Назначение и особенности:
Сейчас с этим легко справляются гидрошпонки ДЗ-70/40-2/35 из ПВХ.
Их допустимые смещения:
- Сжатие – 30 мм;
- Растяжение – 78 мм;
- Поперечный сдвиг – 63 мм;
- Продольный сдвиг – 68 мм;
- Давление воды – 0,15 МПа.
Деформационный шов снижает нагрузку на части сооружения и повышает его устойчивость. Они закладываются еще при проектировании для обеспечения безопасности строения от усадочных, сейсмических и механических процессов.
Монтажная схема гидрошпонки Аквастоп ДЗ-70/40-2/35 из ПВХ:



