Как распознать оригинальную гидрошпонку АКВАСТОП®: надёжные признаки, которые помогут избежать подделки в 2025 году
В Москве и Подмосковье всё чаще приходят жалобы: на объект завезли АКВАСТОП®, а через полгода в подвале пошли протечки. По документам всё красиво, но шпонка — подделка. Похожа визуально, стоит дешевле, а в итоге — потерянная герметичность и переделка бетона. Эта статья — не рекламная. Это инженерная инструкция, как отличить настоящий АКВАСТОП® от фейка, чтобы не тратить нервы и деньги.

Специалисты используют:
1. Проблема: рынок завален фальсификатом
По данным независимых экспертов из отрасли гидроизоляции, в 2025 году доля поддельных шпонок в поставках превысила 30%. Особенно часто фейкуют модели
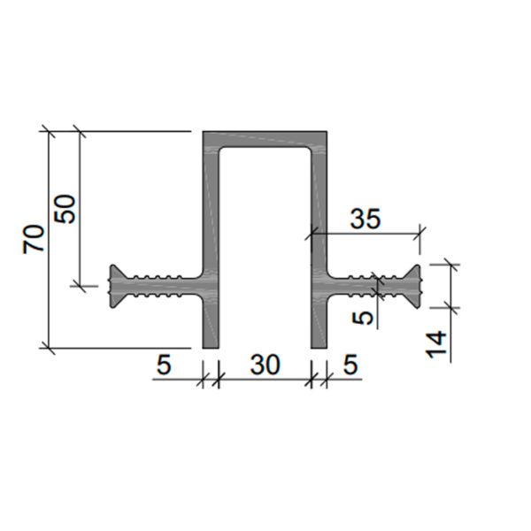
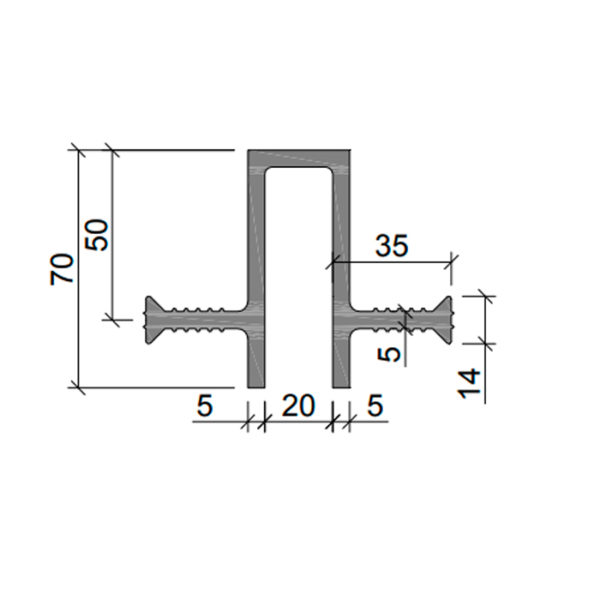
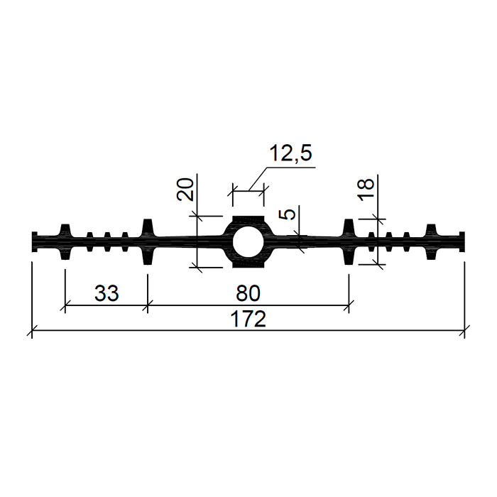
АКВАСТОП® ХВ-320, ХВН-120-04, ДЗ-140/50-4/35 — самые ходовые в монолитном строительстве. Главная беда в том, что подделка часто выглядит очень похоже. Маркировка напечатана, но не тиснена, ТУ указаны частично, а материал — из вторичного ПВХ.
Результат очевиден: через 6–12 месяцев после ввода объекта появляются «мокрые пятна», а подрядчик ищет виноватого. Если вы сомневаетесь, стоит ли проверять каждую партию — посмотрите на примеры последствий при замене гидроизоляции после заливки. Потери по срокам в среднем составляют от 18 до 35 дней, не считая демонтажа и логистики.
2. Решение: проверка по пяти признакам
Чтобы не попасться, инженер должен уметь проверять гидрошпонку прямо на складе. Вот пять ключевых пунктов:
- Маркировка — чёткая, рельефная, с ®.
- Паспорт с печатью и ТУ.
- Запах и структура ПВХ.
- Комплектация (крепёж, упаковка).
- Проверенный поставщик.
3. Маркировка: первое, на что смотрим
На настоящей шпонке всегда есть рельефное тиснение:
«АКВАСТОП® ДЗ-140/50-4/35 ПВХ-П I 70 ТУ 5772-001-58093526-11»
У оригинала буквы ровные, не «гуляют» по высоте, не затёрты, одинаковой глубины.
На фейках часто:
- логотип ® отсутствует;
- встречаются точки вместо дефисов («12.043.50» вместо «12.043-50»);
- надпись может быть просто краской, которая стирается ногтем.
Для наглядности можно сравнить маркировку с эталоном из официального каталога АКВАСТОП® 2025. Там указаны все действующие артикулы, обозначения и стандарты тиснения.
4. Паспорт и ТУ — первый документ, который стоит запросить
Настоящий АКВАСТОП® идёт с паспортом изделия, где указаны:
- ТУ 5772-001-58093526-11,
- дата и номер партии,
- подпись ОТК,
- печать производителя (г. Санкт-Петербург, ООО «Аквастоп»).
Фейки обычно используют шаблонный паспорт без печати. Бывает, даже ошибки: «гидроизаляционная шпонка» или неверные ТУ. Попросите скан паспорта до отгрузки. Если менеджер “ищет” документ или присылает фото чужого — не тратьте время.
Быстрая проверка доступна в разделе сертификаты и паспорта АКВАСТОП® — там можно сверить номер ТУ и дату выпуска.
5. Материал: запах, плотность, поведение при изгибе
- ПВХ-П I 70 — эластичный, но плотный материал. У оригинальной шпонки он возвращается в форму, не ломается, не оставляет белёсых следов.
- У подделок материал часто “сухой”, на ощупь зернистый. При сгибе хрустит, пахнет химией. Если согнули и пошёл белый след — всё, фейк.
- Хороший инженер проверяет не глазами, а руками: согни, понюхай, попробуй на изгиб. Это быстрее, чем потом искать причину протечки.
- При сомнении можно провести экспресс-тест: отрезать кусок и опустить в воду на сутки. У оригинала деформация минимальная (до 1%), у подделок — от 3 до 5%.
6. Комплектация и упаковка
С 2023 года оригинальные шпонки поставляются в фирменной полиэтиленовой плёнке с повторяющимся логотипом.
Для моделей ХВН-120-04 и ХВН-120-06 — комплект крепежа 3 шт/м, для ХВ-320 — 6 шт/м.
Если крепежа нет или он без маркировки — значит, кто-то сэкономил. Настоящий производитель не допускает поставку без комплекта.
На упаковке есть наклейка с номером партии, QR-код и дата производства. Проверить QR-код можно через форму на официальном сайте производителя.
7. Проверка поставщика
Поставщик — это половина успеха. Проверяйте:
- есть ли он в списке партнёров на сайте аквастоп.рф;
- указаны ли ИНН и юр.адрес;
- можно ли получить сертификат дилера.
Также стоит проверить реквизиты через справочник действующих партнёров — по ИНН сразу видно, есть ли компания в базе производителя.
Мы рекомендуем
8. Таблица: чек-лист проверки гидрошпонки АКВАСТОП®
|
Критерий |
Минимум (фейк) |
Оптимум (оригинал) |
Что это значит для инженера |
|---|---|---|---|
|
Маркировка |
Краска, без ® |
Рельефное тиснение, с ® |
Настоящая шпонка читается даже после изгиба |
|
Паспорт |
Копия без печати |
Заводской бланк с ОТК |
Без паспорта не принимайте товар |
|
Материал |
Белеет, пахнет химией |
Эластичный ПВХ-П I 70 |
Проверь на изгиб и запах |
|
Крепёж |
Нет или “аналог” |
3–6 шт/м, маркирован |
Комплект обязателен |
|
Поставщик |
Нет ИНН и адреса |
В списке партнёров |
Проверка на аквастоп.рф |
«Подделка гидрошпонки — это не экономия. Это потенциальная течь и переделка бетона через год.»
Руководительотдела продаж
9. Кейсы с объектов
Объект 1 — подземная парковка в Новой Москве
Весной 2024 года подрядчик заказал «АКВАСТОП® ХВ-320» через неизвестного дистрибьютора. Через восемь месяцев после заливки появились мокрые швы в
месте примыкания стен к плите. При вскрытии выяснилось: шпонка не тянется, ломается при изгибе. Пахнет резко.
Анализ показал — материал из вторичного ПВХ, без добавок пластификатора. Вода пошла по микротрещинам в теле профиля. Объект пришлось останавливать, вскрывать швы и менять гидроизоляцию. Потери — около 1,2 млн рублей.
Объект 2 — подвал жилого дома в Одинцово
В 2023 году использовали шпонку, внешне похожую на АКВАСТОП® ДЗ-160/50-6/35. Всё шло нормально, пока при усадке бетон не дал микроподвижку. Фейковая шпонка не выдержала нагрузки, дала трещину по центру профиля.
В итоге вода начала просачиваться под напором весенних грунтовых вод. После экспертизы выяснили: на теле профиля отсутствует надпись «ПВХ-П I 70». Производитель “аналог” оказался гаражным. После замены на оригинал протечек больше не было.
Для тех, кто хочет увидеть фотографии подобных дефектов, есть отдельный материал — 5 главных мифов о гидрошпонках.
«Проверить шпонку на складе занимает пять минут. Переделать шов — две недели и сотни тысяч рублей.»
10. Что изменилось в 2025 году
- Производитель добавил проверку по QR-коду: можно ввести номер партии на сайте и получить подтверждение подлинности.
- Изменено оформление паспортов — теперь есть водяной знак и печать с микротекстом.
- Появилась градация цвета: серые — внутренние, синие — наружные, оранжевые — компенсаторы.
- Обновлены рекомендации по хранению: температура от -20 до +45 °C, горизонтальная укладка.
- Для дилеров введена новая сертификация: без прохождения проверки в 2025 году поставщик теряет статус.
«90% фейков вычисляются за минуту — просто попроси паспорт и согни образец пополам.»
11. Подводные камни
- “Аналог АКВАСТОП®” — не существует, все подобные предложения означают подделку.
- Отсутствие крепежа — у оригинала он идёт всегда, без исключений.
- Неполное ТУ — если номер обрезан, это не заводская партия.
- Паспорт “на потом” — если поставщик обещает привезти документ позже, разворачивайтесь.
- Подозрительно дешёвая цена — если стоимость ниже рынка на 20–30%, значит, это фальсификат.
12. Финальный вывод
Проверка оригинальности — не формальность. Один взгляд на маркировку и один запрос паспорта могут сэкономить месяцы ремонта. У настоящего АКВАСТОП® всегда одинаковые признаки: чёткое тиснение, ПВХ-П I 70, печать ОТК и крепёж в комплекте. Всё остальное — риск.
Если хотите убедиться, как выглядит оригинальная продукция вживую, посетите наш склад перед отгрузкой или закажите образцы.

