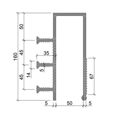
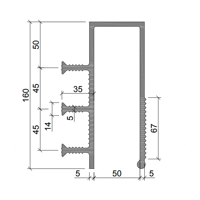
Гидрошпонка Аквастоп ДЗС-160/50/3/35 ПВХ
Гидрошпонка ДЗС-160/50-3/35 ПВХ – это деформационная защитная специальная гидрошпонка изготовлена из ПВХ-П. Ширина – 160 мм на ширину деформационного узла – 50 мм. Для монтажа используются 3 анкера. Их общая высота – 35 мм. Модель отличается увеличенной шириной при уменьшенной высоте анкеров.
Смещения для деформационных швов со шпонкой ДЗС-160/50/3/35 ПВХ:
- Сжатие – 25 мм;
- Растяжение – 90 мм;
- Поперечный сдвиг – 70 мм;
- Продольный сдвиг – 65 мм;
- Давление воды – 0,62 МПа.
Назначение и особенности:
Деформационными называют температурные, осадочные, антисейсмические и другие швы.
Температурные швы защищают от температурных колебаний. Даже в регионах с умеренным климатом перепадов от летней жары к зимним морозам достаточно для появления трещин в бетонном основании. Поэтому изначально закладываются швы. Шаг рассчитывается под конкретный объект и с учетом минимальной и максимальной возможной температуры.
Деформационный шов с гидрошпонкой ДЗС-160/50-3/35 ПВХ снижает нагрузку на части сооружения и повышает его устойчивость. Они закладываются еще при проектировании.
Монтажная схема гидрошпонки Аквастоп ДЗС-160/50/3/35 ПВХ:

23.01.2024 Саша
просты в монтаже, отличное качество


