Гидрошпонка Аквастоп ДЗС-160/100-3/35 ПВХ
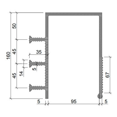
Гидрошпонка ДЗС-160/100-3/35 ПВХ – это деформационная защитная специальная гидрошпонка изготовлена из ПВХ-П. Ширина – 160 мм на ширину деформационного узла – 100 мм. Для монтажа используются 3 анкера. Их общая высота – 35 мм. Это самая широкая шпонка в серии, но при этом высота анкеров ниже.
Все деформационные швы делятся на температурные, осадочные, усадочные и сейсмические. В зависимости от региона и условий эксплуатации, выбирается либо один из них, либо комбинированный метод.
Назначение и особенности:
Для организации и изоляции деформационных швов используются гидрошпонки, герметики и замазки. Технически, это вертикальный зазор, который заполняется эластичным материалом.
Допустимые перемещения для гидрошпонки ДЗС-160/100-3/35 ПВХ:
- Сжатие – 75 мм;
- Растяжение – 140 мм;
- Поперечный сдвиг – 95 мм;
- Продольный сдвиг – 130 мм;
- Давление воды – 0,62 МПа.
Гарантийный срок хранения гидрошпонок ДЗС-160/100-3/35 ПВХ – 2 года. Гарантийный срок эксплуатации – 5 лет при соблюдении технологии монтажа.
Монтажная схема гидрошпонки Аквастоп ДЗС-160/100-3/35 ПВХ:


