Гидрошпонка Аквастоп ДЗС-140/50-2/40 ПВХ
Описание
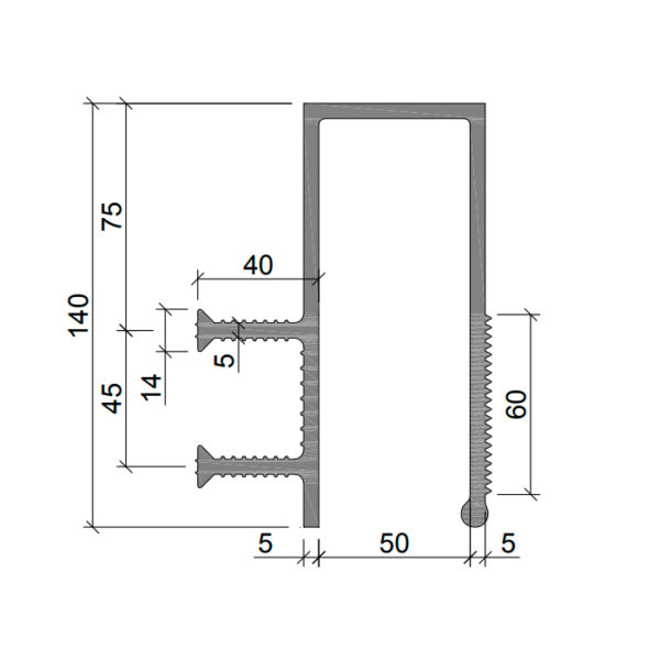
Гидрошпонка ДЗС-140/50-2/40 ПВХ – это деформационная защитная специальная гидрошпонка изготовлена из ПВХ-П. Ширина – 140 мм на ширину деформационного узла – 50 мм. Для монтажа нужны 2 анкера. Их общая высота – 40 мм. Вся серия отличается нестандартной конфигурацией.
Деформационные швы обязательно нужны при сопряжении разных участков здания. Особенно в таких случаях:
- При стыковке бетонных конструкций разного возраста;
- Если к уже существующему объекту достраиваются другие части;
- Если части конструкции находятся на почве разной плотности и сыпучести;
- Если высота разных частей одного здания отличается больше, чем на 10 метров;
- Если есть любые другие причины полагать, что фундамент может неравномерно просесть.
Назначение и особенности:
Допустимые смещения для гидрошпонки ДЗС-140/50-2/40 ПВХ:
- Сжатие – 25 мм;
- Растяжение – 115 мм;
- Поперечный сдвиг – 90 мм;
- Продольный сдвиг – 75 мм;
- Давление воды – 0,43 МПа.
Вся продукция Аквастоп сертифицирована. Ее можно использовать в системах питьевой воды.
Монтажная схема гидрошпонки Аквастоп ДЗС-140/50-2/40 ПВХ:

Теххарактеристики
Артикул
ЦВ000206342
Бренд
Аквабарьер
Ширина шва, мм
50
Тип
Восстановление герметичности деформационных швов
Материал
ПВХ
Отзывы
Отзывы о товаре Гидрошпонка Аквастоп ДЗС-140/50-2/40 ПВХ:
26.01.2023 Юрик
Не первый раз приобретаем для монтажа данную модель. Качественные товары по приемлемым ценам. Рекомендую
Добавить отзыв
С этим товаром рекомендуем
от 1 021 руб./м2
от 887 руб./м2
от 708 руб./м2
от 1 010 руб./м2
от 950 руб./м2
по запросу
Новости
Все новости


