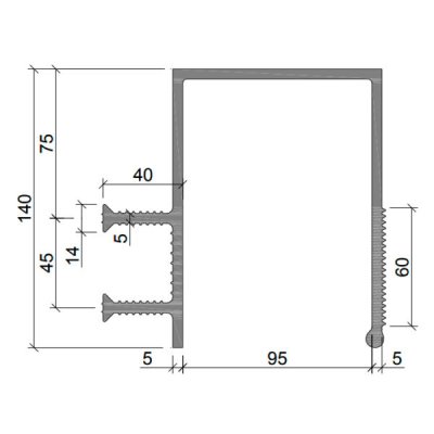
Гидрошпонка Аквастоп ДЗС-140/100-2/40 ПВХ
Гидрошпонка ДЗС-140/100-2/40 ПВХ – это деформационная защитная специальная гидрошпонка изготовлена из ПВХ-П. Ширина – 140 мм на ширину деформационного узла – 100 мм. Для монтажа нужны 2 анкера. Их общая высота – 40 мм. Нестандартная конфигурация – особенность всей этой серии.
Допустимые смещения:
- Сжатие – 75 мм;
- Растяжение – 165 мм;
- Поперечный сдвиг – 115 мм;
- Продольный сдвиг – 140 мм;
- Давление воды – 0,43 МПа.
Назначение и особенности:
Деформационный шов снижает нагрузку на части сооружения и повышает его устойчивость. Они закладываются еще при проектировании для обеспечения безопасности строения от усадочных, сейсмических и механических процессов.
Все деформационные швы делятся на температурные, осадочные, усадочные и сейсмические. В зависимости от региона и условий эксплуатации, выбирается либо один из них, либо комбинированный метод. Чем более протяженная конструкция, чем больше влаги и чем слабее грунт – тем сильнее нужны деформационные швы. А для их обустройства используются гидрошпонки Аквастоп ДЗС-140/100-2/40 ПВХ.
Монтажная схема гидрошпонки Аквастоп ДЗС-140/100-2/40 ПВХ:



